|
介質 |
壓力 |
溫度 |
轉速(RPM) |
|
水 |
1/4"~1-1/2"→50 bar / 725 PSI |
130oC / 265oF |
1/4"~3/4"→3500
1"→3000
1-1/4"~1-1/2"→2500
2"→750
|
|
2"→40 bar / 580 PSI |
|
熱油 |
5 bar / 70 PSI |
180oC / 355oF |
S系列通用型旋轉接頭選用注意事項:
1、當冷卻水達到50度時,液體壓力不要超過8bar。在實際應用中,當熱油的溫度超過175度時,轉速不宜超過300rpm。
當有正、反轉向應用時,建議選用法蘭連接。
2、兩種密封組合可供客戶選用:
N型(標準型)— 石墨密封,應用于過濾水、熱油、飽和蒸汽的間歇供給情況;
D型(重負荷型)— 碳化鎢(或碳化硅)密封,應用于劣質過濾水及磨削液的密封。

|
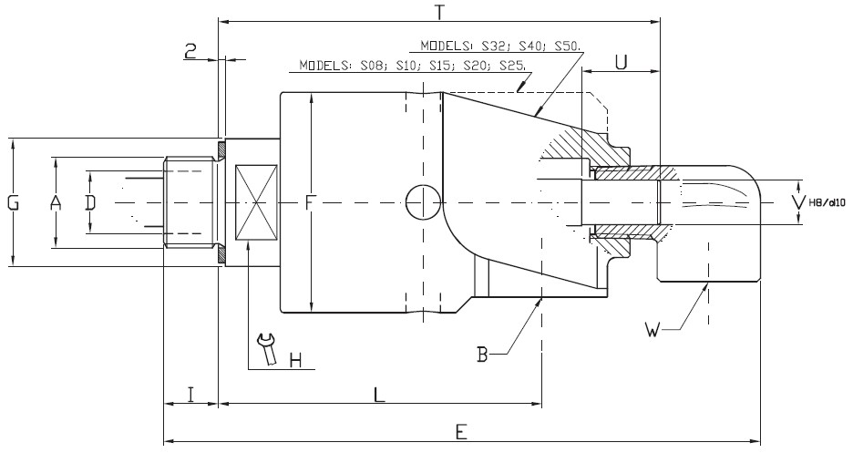
型號 |
雙通路 旋轉虹吸管 |
|
水 N |
水 D |
熱油 |
A |
B |
øD |
E |
øF |
G |
H |
I |
L |
T |
U |
V |
W |
KG |
|
S10-300-01R-810 |
S10-301-01R-810 |
S10-400-01R-810 |
G 3/8" RH |
G 3/8" |
9 |
129 |
43 |
25 |
17 |
13 |
73 |
92 |
10 |
6 |
G 1/4" |
0.8 |
|
S10-300-02L-810 |
S10-301-02L-810 |
S10-400-02L-810 |
G 3/8" LH |
|
S15-300-01R-810 |
S15-301-01R-810 |
S15-400-01R-810 |
G 1/2" RH |
G 1/2" |
13 |
146 |
55 |
30 |
24 |
13 |
82 |
105 |
12 |
10 |
G 3/8" |
1.4 |
|
S15-300-02L-810 |
S15-301-02L-810 |
S15-400-02L-810 |
G 1/2" LH |
|
S20-300-01R-810 |
S20-301-01R-810 |
S20-400-01R-810 |
G 3/4" RH |
G 3/4" |
18 |
173 |
64 |
37 |
30 |
16 |
94 |
123 |
14 |
13 |
G 1/2" |
1.9 |
|
S20-300-02L-810 |
S20-301-02L-810 |
S20-400-02L-810 |
G 3/4" LH |
|
S25-300-01R-810 |
S25-301-01R-810 |
S25-400-01R-810 |
G 1" RH |
G 3/4" |
23 |
200 |
70 |
45 |
36 |
20 |
105 |
144 |
16 |
16 |
G 1/2" |
2.5 |
|
S25-300-02L-810 |
S25-301-02L-810 |
S25-400-02L-810 |
G 1" LH |
|
S32-300-01R-810 |
S32-301-01R-810 |
S32-400-01R-810 |
G1-1/4"RH |
G 1" |
31 |
224 |
85 |
55 |
46 |
22 |
119 |
158 |
16 |
22 |
G 3/4" |
3.9 |
|
S32-300-02L-810 |
S32-301-02L-810 |
S32-400-02L-810 |
G1-1/4"LH |
|
S40-300-01R-810 |
S40-301-01R-810 |
S40-400-01R-810 |
G1-1/2"RH |
G1-1/4" |
36 |
256 |
92 |
60 |
50 |
24 |
132 |
177 |
18 |
26 |
G 1" |
5.4 |
|
S40-300-02L-810 |
S40-301-02L-810 |
S40-400-02L-810 |
G1-1/2"LH |
|
S50-300-01R-810 |
S50-301-01R-810 |
S50-400-01R-810 |
G 2" RH |
G1-1/2" |
48 |
281 |
110 |
70 |
60 |
25 |
139 |
193 |
20 |
34 |
G1-1/4" |
8.6 |
|
S50-300-02L-810 |
S50-301-02L-810 |
S50-400-02L-810 |
G 2" LH |

|
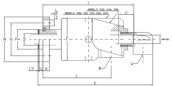
型號 |
雙通路 旋轉虹吸管 |
|
水 N |
水 D |
熱油 |
B |
øD |
E |
øF |
L |
ØM |
ØN |
ØPh7 |
Q |
R |
S |
T |
U |
V |
W |
KG |
|
S10-300-03F-810 |
S10-301-03F-810 |
S10-400-03F-810 |
G 3/8" |
9 |
132 |
43 |
82 |
53 |
38 |
18 |
6 |
8 |
9 |
106 |
20 |
6 |
G 1/4" |
0.9 |
|
S15-300-03F-810 |
S15-301-03F-810 |
S15-400-03F-810 |
G 1/2" |
13 |
151 |
55 |
92 |
60 |
45 |
25 |
6 |
10 |
9 |
120 |
22 |
10 |
G 3/8" |
1.6 |
|
S20-300-03F-810 |
S20-301-03F-810 |
S20-400-03F-810 |
G 3/4" |
18 |
172 |
64 |
101 |
68 |
50 |
30 |
6 |
10 |
9 |
136 |
22 |
13 |
G 1/2" |
2.1 |
|
S25-300-03F-810 |
S25-301-03F-810 |
S25-400-03F-810 |
G 1" |
23 |
202 |
70 |
119 |
78 |
60 |
36 |
7 |
12 |
9 |
161 |
25 |
16 |
G 1/2" |
2.9 |
|
S32-300-03F-810 |
S32-301-03F-810 |
S32-400-03F-810 |
G1-1/4" |
31 |
225 |
85 |
133 |
94 |
70 |
44 |
8 |
12 |
11 |
176 |
26 |
22 |
G 3/4" |
4.4 |
|
S40-300-03F-810 |
S40-301-03F-810 |
S40-400-03F-810 |
G1-1/2" |
36 |
251 |
92 |
139 |
99 |
78 |
52 |
10 |
14 |
11 |
190 |
30 |
26 |
G 1" |
5.9 |
|
S50-300-03F-810 |
S50-301-03F-810 |
S50-400-03F-810 |
G 2" |
48 |
282 |
110 |
154 |
119 |
95 |
65 |
10 |
14 |
11 |
214 |
34 |
32.2 |
G1-1/4" |
9.4 |